DigiPower 4x150T_D

- 230 VAC und 24 VDC Spannungsversorgung mit automatischer Umschaltung
- Automatischer Standby-Betrieb (über DIP-Schalter wählbar)
- Kontroll-LEDs für alle Signal- und Betriebszustände
- Überwachungskontakte für AC- und DC-Versorgung sowie Endstufenstatus
- 4 Kanäle im 1 HE / 19 Zoll Gehäuse
- 4x150 W, 100 V Direktausgänge
- Symmetrische Eingänge
- Einbautiefe 322 mm
- Alle Anschlüsse mit Steckklemmen
- Schutzschaltungen: Automatische Abschaltung bei Übertemperatur, Überlastung und Kurzschluss der Lautsprecherlinien
- 2 temperaturgesteuerte Lüfter

Vierkanaliger digitaler Leistungsverstärker mit 4x150W Nennleistung für professionelle, elektroakustische Sprachalarmierungsanlagen. Die elektronischen Schutzschaltungen sorgen für die nötige Sicherheit des Verstärkers. Bei Netzausfall wird automatisch in den Notstrombetrieb (externe Batterie 24V) umgeschaltet. Ein sehr zuverlässiges Elektronikdesign garantiert eine kompromisslose Übertragungsqualität und einen langjährigen störungsfreien Betrieb. Digitale Endstufen mit Direktausgang ohne Übertrager bieten hohe Effizienz bei geringem Gewicht, kleinerer Baugröße und vergleichsweise geringerer Abwärme.
• Digitale Endstufen mit 100V Direktausgang
• Levelregler für jeden Kanal (Stufenschalter für exakte Reproduzierbarkeit)
• Anzeige aller Betriebszustände durch LEDs
• Serielle RS485 Schnittstelle (On/Off je Kanal, Einzel-Störmeldungen)
• Temperaturabhängige Lüftersteuerung
• Potentialfreie Überwachungskontakte für AC- und DC-Versorgung
• Potentialfreie Sammelstörmeldung
• Nur 322 mm Einbautiefe

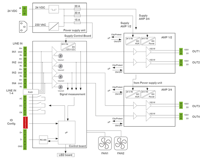
Blockschaltbild



Technische Daten
![]() |
|||
| Min. | Typ. | Max. | |
| Spannungsversorgung AC | 90 VAC |
230 VAC | 265 VAC |
| Stromaufnahme 230 VAC (OUT: 4x Sinus 100 V, 1kHz @ 68 Ohm) | 3,2 A | ||
| Leistungsbedarf 230 VAC (OUT: 4x Sinus 100 V, 1kHz @ 68 Ohm) | 705 W | ||
| Spannungsversorgung DC | 20 VDC | 24 VDC | 28 VDC |
| Stromaufnahme 24 VDC (OUT: 4x Sinus 100 V, 1kHz @ 68 Ohm) | 28 A | ||
| Leistungsbedarf 24 VDC (OUT: 4x Sinus 100 V, 1kHz @ 68 Ohm) | 670 W | ||
| Leistungsbedarf Standby @ 230 VAC | 38 W | ||
| Leistungsbedarf Standby @ 24 VDC | 30 W | ||
| Leistungsbedarf Off @ 230 VAC | 7 W | ||
| Leistungsbedarf Off @ 24 VDC | 2,4 W | ||
| Ausgangsleistung (RMS, 68 Ohm, 100 V) @ 230 VAC | 4 x 150 W | ||
| Ausgangsleistung (RMS, 68 Ohm, 100 V) @ 24 VDC | 4 x 150 W | ||
| THD + N | 0.1 % | ||
| Fremdspannungsabstand (A-gewichtet) | 102 dB | ||
| Eingangswiderstand (je Kanal) | 10 kOhm | ||
| Frequenzgang (-3 dB) | 20 Hz | - | 30 kHz |
| Spannungsverstärkung | 22,6 dB | 42,2 dB | |
| Maximale Ausgangsspannung | 105 VRMS | ||
| ALLGEMEINE TECHNISCHE DATEN | |||
| Abmessungen (BxHxT) | 483 mm x 44 mm x 322 mm | ||
| Gewicht | 5,2 kg | ||
Alle Angaben ohne Gewähr. Technische Änderungen vorbehalten
