DigiPower 2x250T/02

DigiPower

  • Kontroll- LEDs für alle Signal und Betriebszustände
  • Überwachungskontakte für Batterie
  • Überwachungskontakte für die Endstufe
  • 2 Kanal im 2 HE 19 Zoll Gehäuse
  • geringe Einbautiefe nur 272 mm
  • alle Zuleitungen mit Steck-, Schraubklemmen
  • symmetrische Eingänge
  • automatischer Standby Betrieb
  • Schutzschaltungen gegen Leerlauf, Kurzschluss, Übertemperatur, DC
  • 230 V Netz und 24 VDC Spannungsversorgung
  • Einschaltverzögerung

DigiPower 2x250T

Digitaler 100 V Verstärker langlebig und sicher für professionelle ELA Anlagen. Ein sehr zuverlässiges Elektronikdesign garantiert eine kompromisslose Übertragungsqualität und einen langjährigen störungsfreien Betrieb. Kaum Abwärme, über 90 % Wirkungsgrad dank digitaler Signalverarbeitung.

  • wartungsfreies Kühlsystem ohne Lüfter
  • Überwachungskontakte
  • nur 272 mm Einbautiefe
  • nur 10 W im Standby Betrieb
  • geringe Stromverbrauch im Notbetrieb

Levelregler für jeden Kanal an der Rückseite. Anzeige aller Betriebszustände durch LEDs.

Das Kühlsystem arbeitet ohne Lüfter, also

  • keine Verschmutzung
  • keine Folgekosten
  • keine beweglichen Teile
  • keine Störgeräusche

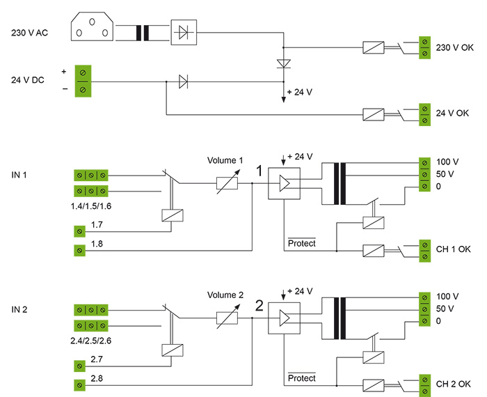
Ein- und Ausgänge

EINGÄNGE:      24 VDC Spannungsversorgung
230 VAC Spannungsversorgung
2 x analoge Audio Eingänge
2 x Kontrolleingänge
2 x Pilotton-Audio Eingänge
AUSGÄNGE:    2 x 100 V/50 V Leistungsausgänge
4 x Statusmeldekontakte
 
230 V................geschlossen wenn ok
24 V..................geschlossen wenn ok
CH 1...............geschlossen wenn ok
CH 2...............geschlossen wenn ok

Blockschaltbild

DigiPower

Technische Daten

DigiPower 2x250T
TYPE 2x250T
Ausgangsleistung 2 x 250 W bzw. 1 x 500 W
THD + N < 0,29 %
Eingangsempfindlichkeit 1 V eff
Eingangsimpedanz 10 kOhm
Fremdspannungsabstand 250 W 1 kHz 85 dB
Ausgangsübertrager 2 x 50 V / 100 V
Stromaufnahme 230 VAC sinus 100 V @ 40 Ohms 4 A
Stromaufnahme 24 VDC sinus 100 V @ 40 Ohms 26 A 
Stromaufnahme Standby 230 VAC 0,058 A 
Stromaufnahme Standby 24 VDC 0,43 A 
Leistungsbedarf Standby Modus (230 VAC) 13 W
Leistungsbedarf Vollast (230 VAC) 920 W
Eingänge symmetrisch an Steck-/Schraubklemme
Spannungsversorgung 230 VAC / 24 VDC
Betriebstemperatur -5° C bis +40° C 
Schutzschaltungen DC, Kurzschluss, Schwingen, Übertemperatur 
Frequenzgang 90 Hz ÷ 21 kHz / -3 dB
Abmessungen 482 mm x 88 mm x 272 mm (B x H x T), 19"“ / 2 HE
Gewicht 16,5 kg

 Alle Angaben ohne Gewähr. Technische Änderungen vorbehalten.